Komponenten für Entladungslampen | Lampenfassungen | Metalldampflampen | RX7s / RX7s-24 | Doppelfassungen ( mit Bügel ) | 203-21/SG-70
 

 

 

203-21/SG-70

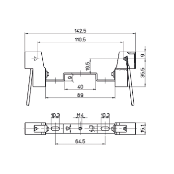
Metalldampflampenfassungen RX7s / RX7s-24 

RX7s  / 4A - 1000V / T250

70W   100W
Zündspannungsimpuls 5kV
Gehäuse: Steatit, Kontakt mit Silberkuppe
Seiten geschlossen
Standardzuleitung: Silikonzuleitungslitze 0,75 mm² ( bis 180°C ), 25 cm Länge
Sonderlängen auf Anfrage
Aderendhülsen
Schraubbefestigung
Kl.II-Isolierung der Bef.-Schraube
je 2 auf Bügel montierte Fassungen, Bügel isoliert nach Klasse II

Ausführung / Bestellnummer

Art. Nr. 203-21/SG-70


Zubehör:
Nr. S-204/112, Nr. S-204/1


Verpackungseinheit:
VE = 20 St.


Prüfzeichen:

     

 

     

Datenblätter:
Technisches Datenblatt ( Stucchi ) | Diese Seite drucken