Komponenten für Hochvolt - Halogenlampen | Lampenfassungen | R7s / RX7s | Doppelfassungen ( mit Bügel ) | 204/SQ | 204/SQ-TF
 

 

 

204/SQ    204/SQ-TF

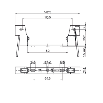
Hochvolt - Halogenfassungen R7s / RX7s 

R7s  / 6A - 250V / T250

200 Watt, 300 Watt, max. 500 Watt
Gehäuse: Steatit, Kontakt mit Silberkuppe
Seiten geschlossen
Standardzuleitung: 25 cm Länge
Sonderlängen auf Anfrage
Aderendhülsen
Schraubbefestigung
Kl.II-Isolierung der Bef.-Schraube
je 2 auf Bügel montierte Fassungen, Bügel isoliert nach Klasse II

Ausführung / Bestellnummer

- Silikonzuleitungslitze 1 mm² ( bis 180°C )

Art. Nr. 204/SQ

- Teflon-PTFE-Zuleitungen, 1 mm² ( bis 250°C )

Art. Nr. 204/SQ-TF


Zubehör:
Nr. S-204/112, Nr. S-204/1


Verpackungseinheit:
VE = 20 St.


Prüfzeichen:

       

 

     

Datenblätter:
Technisches Datenblatt ( Stucchi ) | Diese Seite drucken


Was benötigen Sie noch:
Reflektoren